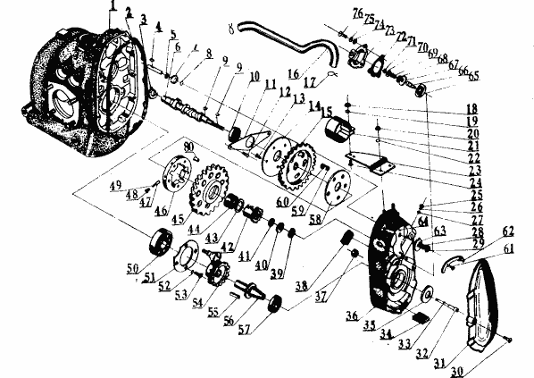
| CJ750 ENGINE ASSEMBLY |
| Part # 1 2 3 4 5 6 7 8 9 10 11 12 13 14 15 16 17 18 19 20 21 22 23 24 25 26 27 28 29 30 |
| 1 1 1 1 1 1 1 1 2 1 1 2 5 1 1 1 2 2 2 2 1 2 1 2 1 1 1 1 1 2 |
| Part # 31 32 33 34 35 36 37 38 39 40 41 42 43 44 45 46 47 48 49 50 51 52 53 54 55 56 57 58 59 60 |
| Qty 1 1 1 1 1 1 1 1 1 1 1 1 1 1 1 1 5 5 5 1 1 3 3 1 1 1 1 1 5 5 |
| Part # 61 62 63 64 65 66 67 68 69 70 71 72 73 74 75 76 77 78 79 80 13-15 44-49 58-60 80 3,6 9-11 40-43 28-29 34 36-38 61-64 67-76 65-66 |
| Qty 2 1 1 1 1 1 1 1 1 1 1 1 1 3 3 3 2 1 1 5 1 1 1 1 |

| Watch this space .... more products are currently being researched based on product ideas already submitted. Customise the program with your suggestion here |
| ...yikes!! Please note NOT all parts will link to an individual product page. They will all be completed soon and I am completing a few products pages and photos each day. |
| Ordering is easy Send an email to ben@sidecarpro.com listing the required items and receive an obligation free quote as well as multiple shipping options to choose from |
| Tell a friend or six if you think they also would find this CJ750 parts manual helpful. Simple one click process using below icons. |
| Want to share? |
| CLICK REGISTER TO |
