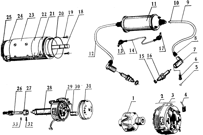
| CJ750 STARTER COIL DISTRIBUTOR AND ALTERNATOR OHV Overhead Valve M1S M1 Super SV Sidevalve M1 M1M |
| Part # 1 2 3 4 5 6 7 8 9 10 11 12 13 14 15 |
| Qty 1 1 1 2 2 2 2 2 1 2 1 1 2 1 2 |
| Part # 16 17 18 19 20 21 22 23 24 25 26 27 28 29 30 |
| Qty 2 1 1 2 1 1 1 1 1 1 1 1 1 1 1 |
| Part # 31 32 33 13-14 17 5-8 10,12 5-10 1-4 18-25 * * * * * |
| Qty 1 1 1 1 1 1 1 1 |
| Watch this space .... more products are currently being researched based on product ideas already submitted. Customise the program with your suggestion here |
| ...yikes!! Please note NOT all images will link to an individual product page. They will all be completed soon and I am completing a few products pages and photos each day. |
| Ordering is easy Send an email to ben@sidecarpro.com listing the required items and receive an obligation free quote as well as multiple shipping options to choose from |
| Tell a friend or six if you think they also would find this CJ750 parts manual helpful. Simple one click process using below icons. |
| Want to share? |
| CLICK REGISTER TO RECEIVE UPDATES FIRST |
